
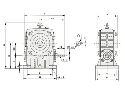
型號size |
傳動比ratio |
A |
AB |
B |
CC |
E |
F |
G |
H |
HL |
LL |
M |
N |
Z |
入力軸input hole |
出力軸output shaft |
重量(kg) |
|||
HS |
U |
T×V |
S |
W×Y |
||||||||||||||||
50 |
1/10 1/15 1/20 1/25 1/30 1/40 1/50 1/60 |
175 |
105 |
100 |
50 |
95 |
110 |
15 |
180 |
50 |
100 |
120 |
140 |
11 |
30 |
12 |
4×2.5 |
20 |
6×22.8 |
7 |
60 |
195 |
120 |
110 |
60 |
105 |
120 |
20 |
210 |
60 |
120 |
130 |
150 |
11 |
40 |
15 |
5×3 |
25 |
8×28.3 |
10.5 |
|
70 |
234 |
140 |
126 |
70 |
115 |
150 |
20 |
243 |
70 |
140 |
150 |
190 |
15 |
40 |
18 |
5×3 |
30 |
8×33.3 |
14.5 |
|
80 |
264 |
160 |
140 |
80 |
135 |
180 |
20 |
273 |
80 |
160 |
170 |
220 |
15 |
50 |
22 |
7×4 |
35 |
10×38.3 |
22 |
|
100 |
300 |
178 |
160 |
100 |
155 |
220 |
25 |
340 |
100 |
200 |
190 |
260 |
15 |
50 |
25 |
7×4 |
40 |
12×43.3 |
36 |
|
120 |
385 |
229 |
180 |
120 |
180 |
260 |
30 |
405 |
120 |
240 |
230 |
320 |
18 |
65 |
30 |
7×4 |
45 |
14×48.8 |
63 |
|
135 |
435 |
260 |
204 |
135 |
200 |
290 |
30 |
455 |
135 |
270 |
250 |
350 |
18 |
75 |
35 |
10×4.5 |
60 |
18×64.4 |
80 |
|
147 |
438 |
262 |
204 |
147 |
200 |
280 |
30 |
460 |
123 |
270 |
250 |
350 |
18 |
75 |
35 |
10×4.5 |
60 |
18×64.4 |
100 |
|
155 |
507 |
300 |
250 |
155 |
220 |
320 |
38 |
490 |
135 |
290 |
280 |
390 |
20 |
85 |
40 |
10×4.5 |
70 |
20×74.9 |
114 |
|
175 |
550 |
322 |
280 |
175 |
250 |
350 |
40 |
565 |
160 |
335 |
310 |
430 |
20 |
85 |
45 |
14×5.5 |
80 |
22×85.4 |
150 |
|
200 |
594 |
350 |
324 |
200 |
290 |
390 |
42 |
625 |
175 |
375 |
360 |
480 |
22 |
95 |
50 |
14×5.5 |
85 |
22×90.4 |
218 |
|