

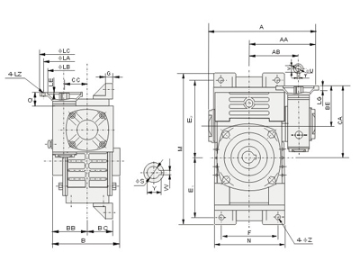
型號size |
入功率(kw) |
傳動比ratio |
A |
AA |
AB |
B |
BB |
BC |
BE |
CA |
CC |
E1 |
E2 |
F |
G |
M |
N |
Z |
電機(jī)法蘭flange |
入力孔input hole |
輸出軸output shaft |
||||||||
LA |
LB |
LC |
LE |
LG |
LZ |
Q |
U |
T×V |
S |
W×Y |
|||||||||||||||||||
50-80 |
0.18 |
1/100 1/200 1/300 1/400 1/500 1/600 1/800 1/900 |
314 |
209 |
139 |
140 |
72 |
70 |
84 |
164 |
50 |
140 |
180 |
140 |
20 |
350 |
174 |
15 |
115 |
95 |
140 |
4 |
10 |
M8 |
25 |
11 |
4×12.8 |
35 |
10×38.3 |
60-100 |
0.37 |
363 |
241 |
161 |
160 |
87.5 |
90 |
92 |
192 |
60 |
165 |
215 |
190 |
20 |
410 |
224 |
15 |
130 |
110 |
160 |
4 |
12 |
M8 |
35 |
14 |
5×16.3 |
40 |
12×43.3 |
|
70-120 |
0.37 |
429 |
275 |
195 |
180 |
100 |
100 |
110 |
230 |
70 |
195 |
255 |
220 |
25 |
495 |
264 |
18 |
130 |
110 |
160 |
4 |
12 |
M8 |
35 |
14 |
5×16.3 |
45 |
14×48.8 |
|
0.75 |
449 |
295 |
165 |
130 |
200 |
15 |
M10 |
45 |
19 |
6×21.8 |
|||||||||||||||||||
80-135 |
0.75 |
505 |
330 |
230 |
204 |
106 |
110 |
128 |
263 |
80 |
230 |
285 |
260 |
30 |
560 |
304 |
18 |
165 |
130 |
200 |
4.5 |
15 |
M10 |
45 |
19 |
6×21.8 |
60 |
18×64.4 |
|
1.5 |
55 |
24 |
8×27.3 |
||||||||||||||||||||||||||
100-155 |
1.5 |
565 |
365 |
265 |
250 |
330 |
312 |
100 |
156 |
140 |
250 |
305 |
290 |
305 |
605 |
35 |
20 |
165 |
130 |
200 |
4.5 |
12 |
M10 |
55 |
24 |
8×27.3 |
70 |
20×74.9 |
|
120-175 |
2.2 |
635 |
415 |
290 |
280 |
167 |
150 |
182 |
357 |
120 |
273 |
348 |
320 |
40 |
675 |
370 |
20 |
215 |
180 |
250 |
5 |
18 |
M12 |
65 |
28 |
8×31.3 |
80 |
22×85.4 |
|
3.0 |
|||||||||||||||||||||||||||||